Герметичний поршневий компресор Embraco NT6226GK
Компанія EMBRACO спеціалізується на рішеннях для холодильної індустрії, одночасно є лідером у сфері виробництва герметичних компресорів. Місія Embraco: пропонувати інноваційні рішення для поліпшення якості життя, приділяючи постійну увагу технологічній досконалості. Продукції компанії Embraco aspera довіряють найбільшим виробникам побутових холодильників і комерційного холодильного обладнання. Завдяки глобальному наявності та виробничим потужностям, що перевищує 34 мільйони одиниць продукції на рік, компанія пропонує рішення, що вирізняються інновацією й економним енергоспоживанням. 11.500 працівників EMBRACO працюють на заводах і в офісних підрозділах Бразилії (головне керування), Китаю, Італії, Словаччині, Мексики, США
Завдяки постійному пошуку покращень у продукції та процесах, кожне нове покоління компресорів Embraco є ефективнішим, порівнюючи з попереднім.
Компресор EMBRACO серії NT розроблений для: холодильних агрегатів, вітрин, автоматів для морозива і охолоджувачів пива. Застосування: LBP, MBP/HBP. Холагенти: R134a R404A / R507 R290
Технічні дані
- Модель: NT 6226 GK
- ENGINEERING CODE: 923BA0204AF
- Застосування: MBP — середньотемпературний
- Робочий діапазон: (-20) °C до (+10)°С
- Холодопродуктивність: 1772 Вт (EN12900)
- Хладагент: R 404
- Масло: синтетика POE22 заправка 450 мл
- Об'єм циліндра: 22.37 см3
- Тип двигуна: CSR
- Джерело живлення: 220-240 В 50 Гц
|
Test Condition: Subcooling 0 K, Return Gas 20 ºC. Data generated in accordance to EN 12900:2013 polynomial equation and tolerance guidelines.
Робочий діапазон
Холодопродуктивність за 45 °C
| Evaporating Temperature °C |
Cooling Capacity W |
Efficiency W/W |
Power Consumption W |
Current A |
Gas Flow Rate kg/h |
|---|---|---|---|---|---|
| -20 | 1118 | 1.34 | 835 | 4.07 | 32.97 |
| -15 | 1421 | 1.58 | 902 | 4.43 | 42.26 |
| -10 | 1772 | 1.80 | 986 | 4.78 | 53.20 |
| -5 | 2160 | 2.00 | 1079 | 5.14 | 65.61 |
| 0 | 2573 | 2.20 | 1172 | 5.49 | 79.31 |
| 5 | 2999 | 2.39 | 1254 | 5.84 | 94.11 |
| 10 | 3429 | 2.60 | 1318 | 6.19 | 109.82 |
Test Condition: Subcooling 0 K, Return Gas 20 ºC. Data generated in accordance to EN 12900:2013 polynomial equation and tolerance guidelines.
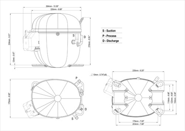
Розміри

| Основні | |
|---|---|
| Вага | 17.9 кг |
| Виробник | Embraco Aspera |
| Гарантійний термін | 12 міс |
| Країна виробник | Словаччина |
| Застосовувані холодоагенти | R404A, R507 |
| Холодопродуктивність, Вт | 1772 Вт (EN12900) |
| Тип двигуна | CSR |
| Об'єм циліндра | 22.37 см3 |
- Ціна: 11 984 ₴
- Спосіб упаковки: В індивідуальному пакованні




